preloader

SCHEMATIC DRAWINGS OF chemical injection quills (Move cursor to enlarge)

Access Fitting With Injection Quill

Access Fitting with Injection Quill

Recrractable Injection Quill

Retractable Injection Quill

Service Valve

Service Valve

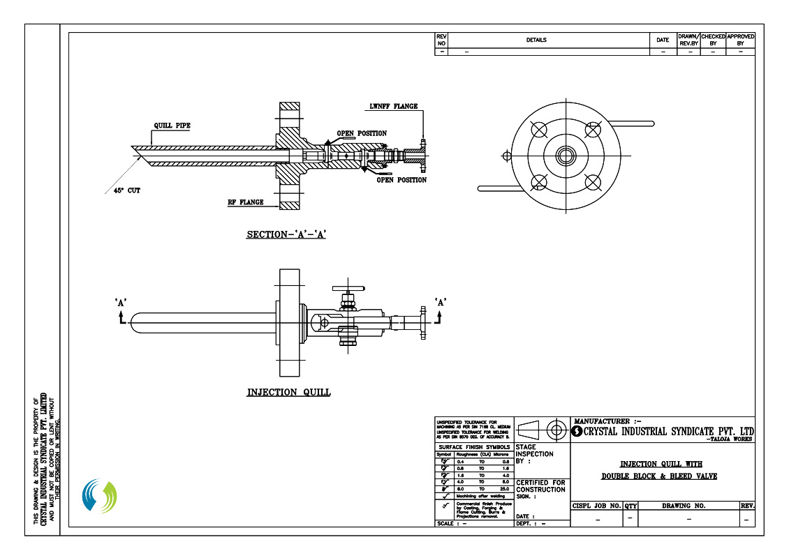
Injection Quill With Double Block Bleet Valve

Injection Quill with Double Block Bleed Valve